设为首页 | 加为收藏
 
 
阀门
水泵
其他
 
 
  点击这里给我发消息 点击这里给我发消息
 
   
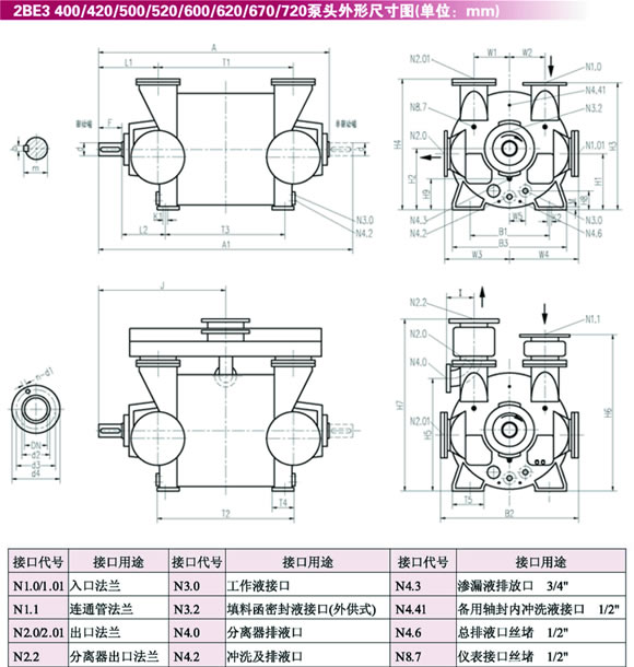
2BE3系列水环式真空泵及压缩机

关闭
上一个产品: 2BE3系列水(液)环式真空泵及压缩机
下一个产品: 2BW系列水(液)环式真空泵及压缩机闭路循环系统
 
点击看详细资料
点击看详细资料
点击看详细资料
 
  版权所有:© 2010-2023 自贡市远东泵阀有限公司   技术支持:四川百信智创科技有限公司
地址:四川省自贡市汇东科技大厦8楼   邮编:643000
电话:0813-8218002   传真:0813-8100161 
备案号:蜀ICP备11013594号-1 川公网安备51030002000247号